Изображения страниц
Текст статьи Асламазов Л. Г. Что такое СКВИД? // Квант. — 1981. — № 10. — С. 5—12.
О сверхпроводимости в наше время знают, наверное, все. Это явление состоит в том, что при низких температурах электрическое сопротивление ряда чистых металлов и сплавов становится равным нулю и электрический ток течёт без всяких потерь.
Температуры, при которых исчезает сопротивление, очень низкие — они близки к абсолютному нулю
Охлаждение до температур жидкого гелия — довольно сложная задача. Вот почему столь перспективное для использования в технике явление, как сверхпроводимость, пока ещё не нашло широкого практического применения. А, казалось бы, как заманчиво, например, передавать электрическую энергию на далёкие расстояния по сверхпроводящим проводам — никаких потерь! Однако охлаждать провода сейчас ещё довольно дорого. И хотя уже созданы сверхпроводящие линии передач длиной в несколько километров, а также сверхпроводящие моторы и генераторы и даже сверхскоростные поезда на так называемой магнитной подушке (где тоже используется сверхпроводимость) — такие установки в серийное производство всё ещё не запущены.
В лабораториях всего мира физики и химики ищут вещества, которые будут
сверхпроводящими при не слишком низких температурах (например, чтобы для их охлаждения можно было использовать сравнительно дешёвый и доступный жидкий
воздух). В этом направлении уже достигнут значительный прогресс — с каждым
годом открывают всё более и более «высокотемпературные» сверхпроводники. Но даже сегодняшний рекордсмен — сплав ниобия с германием
И тем не менее уже сейчас сверхпроводимость «работает». В ряде случаев
возможности сверхпроводимости столь уникальны, что приходится мириться с затратами на охлаждение. Так, сверхпроводящие магниты широко используются
для создания сильных магнитных полей (в несколько десятков тесла);
сверхпроводимость же применяют для измерения очень слабых магнитных полей (с
точностью до
О некоторых практических применениях сверхпроводимости будет рассказано в этой статье. Однако рассказ придётся начать издалека. Давайте прежде познакомимся с одним красивым физическим явлением, лежащим в основе устройства многих сверхпроводящих приборов.
Квантование магнитного потока
Как известно, в микромире — мире молекул, атомов, элементарных частиц — существуют свои особые законы. Например, там многие физические величины могут принимать только определённые дискретные значения — как говорят физики, величины квантуются. (Для описания микромира создана специальная наука — квантовая механика.) В больших коллективах частиц — макроскопических телах — квантовые эффекты обычно перестают быть заметными, поскольку из-за хаотического теплового движения происходит усреднение величины по большому числу её различных значений и квантовые скачки «замазываются».
А что будет, если тело охладить до очень низких температур? Оказывается, в таком случае квантование может проявляться и в макроскопических масштабах. Пример тому даёт замечательное явление — квантование магнитного потока в сверхпроводнике.
Что такое магнитный поток

Движение сверхпроводящих электронов в кольце (рис. 1) похоже на движение электронов в атоме: электроны в кольце как бы движутся по гигантским орбитам радиуса
Найдём величину кванта магнитного потока. Магнитный поток
Теперь выражение для магнитного потока можно представить в виде $$ \mathit{\Phi}=LI=\dfrac{LI^2}2\,\dfrac2I=N\dfrac{mv^2}2\,\dfrac{4\pi R}{eNv}= \dfrac{2\pi}emvR, $$ откуда следует, что магнитный поток пропорционален моменту импульса электронов. Но, согласно правилу квантования Бора, момент импульса может принимать только дискретные значения, поэтому и магнитный поток через кольцо, по которому течёт сверхпроводящий ток, тоже квантуется: $$ mvR=n\hbar\quad\text{и}\quad\mathit{\Phi}=\dfrac{2\pi}en\hbar. $$
Квант магнитного потока, который можно найти из предыдущей формулы,
конечно, очень малая величина
Вот так нашлась двойка, потерянная не только нами, но и английским учёным Лондоном, который теоретически предсказал квантование магнитного потока ещё в 1950 году — задолго до того, как была понята природа сверхпроводящего состояния.
Хочется подчеркнуть, что приведённый здесь вывод квантования магнитного потока, хотя и отражает правильно физическую сущность этого явления, слишком упрощённый. Даже удивительно, что таким образом можно получить правильное значение кванта магнитного потока. В действительности сверхпроводимость — сложное квантовое явление. Тем, кто хочет в нём разобраться по-настоящему, предстоит долгий путь от школьной физики до современной теории твёрдого тела — путь, на который потребуется много лет упорного, но увлекательного труда.
Эффект Джозефсона
Разберём ещё одно сверхпроводящее квантовое явление, которое послужило основой для создания целого ряда уникальных измерительных приборов. Речь пойдёт об эффекте Джозефсона, открытом сравнительно недавно — в 1962 году, но за который Джозефсону, английскому учёному, теоретически предсказавшему этот эффект, уже присуждена Нобелевская премия.
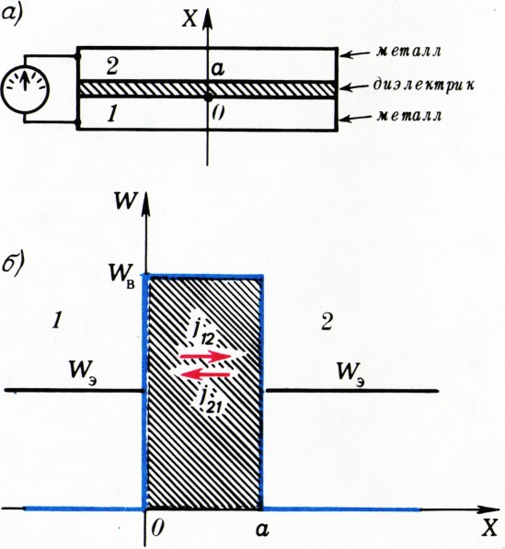
Представьте себе, что на стеклянную пластинку (как говорят, на подложку) нанесли плёнку сверхпроводника (обычно её получают, напыляя металл в вакууме). Затем её окислили, создав на поверхности слой диэлектрика (окисла) толщиной всего в несколько ангстрем. И снова покрыли плёнкой сверхпроводника. В результате получился так называемый сэндвич (в буквальном смысле этим английским словом называют два куска хлеба с сыром или другим чем-нибудь вкусным между ними). В сэндвичах и наблюдается эффект Джозефсона (для удобства измерений обычно сэндвич делают в виде креста, как показано на рисунке 2).

Давайте вначале обсудим случай, когда металлические плёнки находятся в нормальном (не сверхпроводящем) состоянии. Могут ли электроны из одной
металлической плёнки (рис. 3, a) переходить в другую?
Казалось бы, нет — им мешает слой диэлектрика. Для того чтобы выйти из металла, электрон должен обладать энергией, большей чем работа выхода, а при низких температурах электронов с такой энергией практически нет. На рисунке 3, б приведён график зависимости потенциальной
энергии электрона

Если бы электроны подчинялись законам классической механики, то такой
барьер для них был бы непреодолим. Но электроны — микрочастицы, а в микромире действуют особые законы, которые позволяют многое, недоступное
большим телам. Человеку, например, с такой энергией на горку не взобраться,
а вот электрон может пройти сквозь неё! Он как бы роет под горкой туннель и проникает, даже если его энергии не хватает, чтобы взобраться на горку.
Конечно, не следует всё это понимать буквально. Туннельный эффект (так
называют это явление) объясняется волновыми свойствами микрочастиц, и по-настоящему в нём можно разобраться, только изучив квантовую механику. Но факт остаётся фактом: с некоторой вероятностью электроны могут проникать
через диэлектрик из одной металлической плёнки в другую. Эта вероятность тем больше, чем меньше высота
Итак, тонкая плёнка диэлектрика оказывается проницаемой для электронов — через неё может течь так называемый туннельный ток. Однако суммарный туннельный ток равен нулю: сколько электронов переходит из нижней металлической плёнки в верхнюю, столько же в среднем переходит, наоборот, из верхней плёнки в нижнюю.
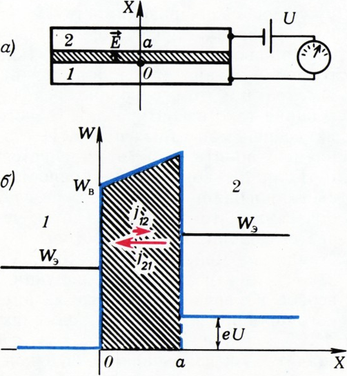
Как же сделать туннельный ток отличным от нуля? Для этого надо нарушить
симметрию, например — присоединить металлические плёнки к источнику тока с напряжением

Туннельные контакты из нормальных металлов используются в некоторых приборах, но в этой статье речь идёт о практическом применении сверхпроводимости. Поэтому сделаем следующий шаг и представим себе, что металлические плёнки, разделённые тонким слоем диэлектрика, находятся в сверхпроводящем состоянии. Как будет вести себя туннельный сверхпроводящий контакт? Оказывается, сверхпроводимость приводит к совсем неожиданным результатам.
Как уже говорилось, электроны из верхней плёнки имеют избыточную энергию
Вот какой удивительный эффект был предсказан Джозефсоном: постоянное напряжение, приложенное к сверхпроводящему туннельному контакту (его называют также джозефсоновским элементом), приводит к генерации электромагнитного излучения. Экспериментально этот эффект впервые был обнаружен в Харьковском физико-техническом институте низких температур учёными И. М. Дмитриенко, В. М. Свистуновым и И. К. Янсоном в 1965 году.
Первое, что приходит в голову, если говорить о практическом использовании эффекта Джозефсона, — это создание генератора электромагнитного излучения. Но в действительности всё не так просто: излучение довольно трудно вывести из узкой щели между сверхпроводящими плёнками, где оно генерируется (именно поэтому экспериментальное обнаружение эффекта Джозефсона было непростой задачей), да и мощность излучения очень мала. Поэтому сейчас джозефсоновские элементы используются в основном в качестве детекторов электромагнитного излучения, но зато самых чувствительных в некоторых диапазонах частот.
Такое применение основано на явлении резонанса между внешними электромагнитными колебаниями (в регистрируемой волне) и собственными колебаниями, возникающими в джозефсоновском элементе при приложении к нему постоянного напряжения. Собственно говоря, резонанс лежит в основе работы многих приёмников: волну удаётся «поймать», когда её частота совпадает с частотой приёмного колебательного контура. В качестве приёмного контура удобно использовать джозефсоновский элемент: частоту его собственных колебаний легко подстраивать (изменяя напряжение), а острота резонанса, определяющая чувствительность приёмника, оказывается очень высокой. По такому принципу уже созданы самые чувствительные приёмники электромагнитного излучения, которые используются для исследования излучения Вселенной.
Квантовый магнитометр
Эффект Джозефсона в сочетании с явлением квантования магнитного потока послужили основой для создания целого семейства сверхчувствительных измерительных приборов. Они называются «сверхпроводящие квантовые интерференционные приборы» или «СКВИДы» (по сочетанию первых букв соответствующих английских слов Superconducting Quantum Interference Devісеѕ. Об одном из них — квантовом магнитометре (приборе для измерения слабых магнитных полей) — будет рассказано в этой главе.
Простейший квантовый магнитометр состоит из сверхпроводящего кольца, в цепь которого включён джозефсоновский элемент (рис. 5). Как вы уже знаете, для того чтобы возник ток в нормальном туннельном контакте, к нему
надо приложить хотя бы небольшое напряжение. А вот в сверхпроводящем
туннельном контакте это не обязательно. Если в кольце создать
сверхпроводящий ток, то он сможет течь и через джозефсоновский элемент:
сверхпроводящие пары будут туннелировать через тонкий слой диэлектрика.
Такое явление называют стационарным (постоянным во времени) эффектом
Джозефсона, в отличие от нестационарного эффекта, сопровождаемого излучением
(о нём было рассказано в предыдущей главе). Существует, однако, максимально
допустимое для контакта значение сверхпроводящего тока (его называют
критическим током контакта

Итак, при включении в сверхпроводящий контур джозефсоновского элемента не происходит полного разрушения сверхпроводимости, но в контуре появляется место, в котором сверхпроводимость ослаблена (как говорят, возникает слабая связь). Именно на этом основано использование такого контура для точного измерения магнитных полей. Постараемся понять, как это делается.
Если бы контур был полностью сверхпроводящим (не содержал слабой связи),
то магнитный поток через его площадь был бы строго постоянным.
Действительно, согласно закону электромагнитной индукции, всякое изменение
внешнего магнитного поля приводит к возникновению ЭДС индукции
А что произойдёт, если сверхпроводящий контур содержит слабую связь?
Оказывается, что магнитный поток через такой контур может меняться — через
слабую связь в контур проникают кванты потока (как вы уже знаете, магнитный
поток сверхпроводящего тока квантуется — он равен целому числу квантов
потока
Давайте проследим, как меняются магнитный поток внутри сверхпроводящего
кольца со слабой связью и величина тока в кольце при изменении внешнего
магнитного поля. Пусть вначале внешнее поле и ток в контуре равны нулю
(рис. 5, а). Тогда поток внутри контура тоже равен нулю.
Будем увеличивать внешнее поле — в контуре появится сверхпроводящий ток,
магнитный поток которого в точности компенсирует внешний поток. Так будет
продолжаться до тех пор, пока ток в контуре не достигнет критического
значения
Как только ток станет равным
При дальнейшем увеличении внешнего поля ток в кольце начнёт уменьшаться,
сверхпроводимость в кольце восстановится и поток внутри кольца будет
оставаться равным
Графики зависимости магнитного потока

Устройство реального квантового магнитометра в действительности много сложнее. Так, обычно используют не одну, а несколько слабых связей, включённых параллельно, — своеобразная интерференция сверхпроводящих токов приводит к повышению точности измерений (поэтому такие приборы и называются интерференционными). Чувствительный элемент прибора индуктивно связывают с катушкой колебательного контура, где скачки потока преобразуются в импульсы напряжения, которые затем усиливаются. Но рассказ обо всех этих тонкостях выходит за рамки данной статьи.
Заметим, что в наши дни сверхчувствительные магнитометры, измеряющие
магнитные поля с точностью до
Приложение
Формулу для энергии кольца с током можно получить, например,
так. Представим себе, что сверхпроводящее кольцо подключается к источнику
тока с ЭДС








